Silo Design Consultancy Silo Design Consultancy Silo Design Consultancy

Silo Design Consultancy

उत्पाद विवरण:

X

मूल्य और मात्रा

  • 1
  • Offline
  • Provided as per zone
  • STAAD Pro, AutoCAD, Tekla
  • Yes
  • IS/ASTM/EN as per requirement
  • Bulk Material Storage
  • Up to 5000 MT
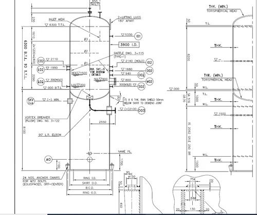
  • Cylindrical/Rectangular/Conical Bottom
  • Silo Structural Design
  • Included
  • Detailed Engineering Drawings & Calculations
  • Silo Design Consultancy

उत्पाद विवरण



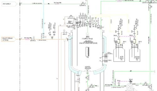
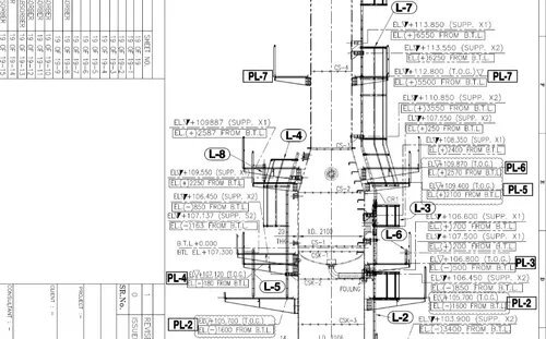
Embrace trending innovation with our Silo Design Consultancy, a top-ranking solution catering to bulk material storage requirements up to 5000 MT. Utilise our limited-time offer and experience eminent engineering guided by IS/ASTM/EN standards, executed through unparalleled design tools like STAAD Pro, AutoCAD, and Tekla. Our consultancy provides comprehensive seismic and wind load analysis, thorough foundation designs, and delivers detailed engineering drawings and calculations. Whether you're a fabricator, manufacturer, service provider, or supplier in India, our expert offline service ensures structural excellence, covering cylindrical, rectangular, and conical-bottom silos.

Key Features & Application Guidance

Our Silo Design Consultancy utilises eminent-grade materials, ensuring uncompromised storage safety and durability. Direction of use is tailored for optimal application in bulk material storage for industries seeking either new structures or retrofitting existing facilities. The use type covers design and comprehensive consultancy, making this service suitable for fabricators, manufacturers, and suppliers. Our services expertly address your silo design needs while conforming to strict industry standards for quality and reliability.


Supply, Documentation, and Certification Assurance

Order processing is streamlined for timely project delivery. Our supply ability accommodates projects of varying scale at the lowest price and competitive sale prices. We provide comprehensive certifications as per IS/ASTM/EN standards, ensuring compliance and safety. Our sample policy enables you to review report formats, including detailed engineering drawings and calculations before project commencement, guaranteeing full transparency and satisfaction throughout the consultancy process.


FAQ's of Silo Design Consultancy:


Q: How does the Silo Design Consultancy process work?

A: The process begins with an assessment of your project requirements and storage capacities, followed by structural analysis and detailed design using STAAD Pro, AutoCAD, and Tekla. Comprehensive engineering drawings and calculations are prepared for your review before final delivery.

Q: What types of silos can be designed through this consultancy?

A: We design a wide range of silos including cylindrical, rectangular, and conical bottom types, tailored to your specific application and structural needs.

Q: When will I receive the detailed engineering reports and drawings?

A: Delivery timelines depend on project complexity, but our streamlined order processing ensures prompt submission of detailed engineering drawings and calculations soon after the design phase concludes.

Q: Where is this consultancy service available?

A: Our Silo Design Consultancy is offered offline and is available across India, serving fabricators, manufacturers, service providers, and suppliers countrywide.

Q: What are the benefits of utilising this trending consultancy offer?

A: You gain access to top-ranking, standards-compliant silo designs, eminent design software, and comprehensive analysis, ensuring unparalleled structural reliability, safety, and a seamless approval process for your projects.

Tell us about your requirement
product

Price:  

Quantity
Select Unit

  • 50
  • 100
  • 200
  • 250
  • 500
  • 1000+
Additional detail
मोबाइल number

Email

Engineering Design Consultancy अन्य उत्पाद



Back to top